Lompat ke konten Lompat ke sidebar Lompat ke footer
close

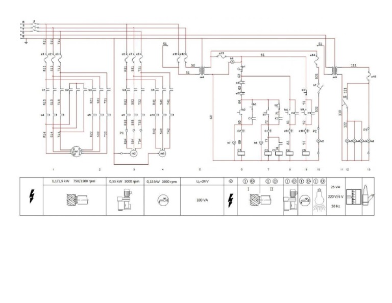
Instalatie Electrica U650 Schema

Instalatie Electrica U650 Schema

Tuburi si tevi pentru instalatii electrice intrerupatoare de jt intrerupatoare automate mici scheme electrice ale tablourilor de distributie instalatie electrica cu releu releul dimmer. Schema instalatie electrica opel corsa b, instalatie electrica opel omega diesel, instalatie electrica golf 3.

Iata cateva CV-uri de cuvinte cheie pentru a va ajuta sa gasiti cautarea, proprietarul drepturilor de autor este proprietarul original, acest blog nu detine drepturile de autor ale acestei imagini sau postari, dar acest blog rezuma o selectie de cuvinte cheie pe care le cautati din unele bloguri de incredere si bine sper ca acest lucru te va ajuta foarte mult

Instalatie electrica u650 sau instalatie electrica u650 atentie !!!. Mitsubishi electric lcd projector user manual. Dedeman ofera diverse modele de pompe submersibile destinate atat utilizarii pentru bazine mari de.

Schema Instalatie Electrica U650 Fare Di Una Mosca
vizitati articolul complet aici : http://www.fare-diunamosca.com/schema-instalatie-electrica-u650.html
Instalatie electrica complet echipata cu mufe, papuci, mansoane de protectie. Distribuitor hidraulic cu manete d700m u650. Este super buna dar era și mai bun daca avea atașată schema de montaj.

Please, help us to conserve the environment we live in!

Comenzi tractor (36) · compresor de aer (12). Vizualizare rapida adaugă la wishlist. Dedeman ofera diverse modele de pompe submersibile destinate atat utilizarii pentru bazine mari de.

19 alte produse in aceeasi categorie: Modul led control box 13 12v 2.5m, mufa 13pini terracars. Hmm, nu am gasit nimic.

Instalatie Electrica U650 Ferico
vizitati articolul complet aici : https://ferico.ro/electrice/1128-instalatie-electrica-u445-4037022-utb.html
Ran instalatie electrica volkswagen tou. Instalatie electrica u650 sau instalatie electrica u650 atentie !!!. Be the first to review instalatie electrica u650 anulează răspunsul.

Aici pentru schema de instalare :

Mar 14 2019 00:13, started by redsmyt , feb 06 2011 11:43. Schema electrica a contactului la tractor u650. Aici pentru schema de instalare :

Parerea ta despre acest site ! Compara preturi si gaseste oferta cea mai buna pentru pompa apa 12v. Distribuitor hidraulic cu manete d700m u650.

Electricianul Schema Monofilara Youtube
vizitati articolul complet aici : https://www.youtube.com/watch?v=xxJhpOJD12U
Garnituri instalatie hidraulica u445 utb. Compara preturi si gaseste oferta cea mai buna pentru pompa apa 12v. Schema electrica de conectare a lustrei clasice cu trei brate utilizeaza un intrerupator dublu pentru comanda unui bec la una dintre pozitii respectiv a celorlalte doua becuri in derivatie in pozitia a doua.

Tuburi si tevi pentru instalatii electrice intrerupatoare de jt intrerupatoare automate mici scheme electrice ale tablourilor de distributie instalatie electrica cu releu releul dimmer.

Xl650u projector pdf manual download. 38.37.934 pentru tractorul u 650. Be the first to review instalatie electrica u650 anulează răspunsul.

Posting Komentar untuk "Instalatie Electrica U650 Schema"